低压接地系统:TN-C 、TN-S等介绍,详细!
电力系统的接地直接关系到用户的人身和财产安全,以及电气设备和电子设备的正常运行。如何针对实际情况选择合适的接地系统,确保配电系统及电气设备的安全使用,是电气设计人员面临的首要问题。
根据国际电工委员会(IEC)规定的各种保护接地方式的术语概念,低压配电系统按接地方式的不同称为TT系统、TN系统、IT系统。其中TN系统又分为TN-C、TN-S、TN-C-S系统。下面对各种供电系统做扼要的介绍。
一、低压系统的接地形式
低压系统接地形式有IT、TT、TN三大类,而TN类又分为TN-C、TN-C-S、TN-S三种形式。
其中字母表示的含义:
(1)字母第一个部分表示配电系统中性点对地的关系
T:电源端中性点一点直接接地;I:电源端中性点与地绝缘或通过高阻抗一点接地。
(2)字母第二部分表示电气装置的外露可导电部分与地的关系
T:外露可导电部分直接接地,与配电系统的接地点无关;
N:外露可导电部分与配电系统的中性点直接做电气连接(也叫接零系统);
(3)-号后面的字母是扩充说明
C:保护零线与工作零线用同一根线;
S:保护零线与工作零线彻底分开,各自独立用两根线;
C-S:保护零线与工作零线前边一部分用同一根线,后边一部分保护零线与工作零线彻底分开,用两根线。
二、TN系统
TN系统,称作保护接零。当故障使电气设备金属外壳带电时,形成相线和零线短路,回路电阻小,电流大,能使熔丝迅速熔断或保护装置动作切断电源。在TN系统中又分为TN-C、TN-S和TN-C-S三种系统。
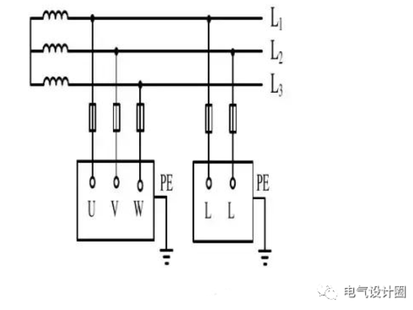
(1) TN-C系统
在全系统内N线和PE线是合一的。

(2)TN-S系统
在全系统内N线和PE线是分开的。

(3)TN-C-S系统
在全系统内,通常仅在低压电气装置电源进线点前N线和PE线是合一的,电源进线点后即分为两根线。

三、TT系统
TT系统就是电源中性点直接接地,用电设备外露可导电部分也直接接地的系统。通常将电源中性点的接地叫做工作接地,而设备外露可导电部分的接地叫做保护接地。TT系统中,这两个接地必须是相互独立的。设备接地可以是每一设备都有各自独立的接地装置,也可以若干设备共用一个接地装置。

四、IT系统
IT系统就是电源中性点不接地,用电设备外露可导电部分直接接地的系统。IT系统可以有中性线,但IEC强烈建议不设置中性线。因为如果设置中性线,在IT系统中N线任何一点发生接地故障,该系统将不再是IT系统。

五、TN、TT、IT系统各适用的环境和场所
选择系统接地形式应根据电气装置的特性、运行条件和使用要求及维护能力的大小等综合考虑低压配电系统的接地形式。只要符合安装和运行规范要求,三种接地形式是等效的,没有什么优先级之分, 同一配电系统可以选用一种接地形式,也可以根据需要选用两种或三种接地形式。
TN-C系统一般用于三相负荷基本平衡的一般企业,住宅用户绝大部分是单相用户,难以实现三相负荷的平衡,不应使用TN-C系统。TN-S系统应用较广(包括通信系统)。TT系统也可以用于通信或机房等对用电要求较高的场所。IT系统用于煤矿等对防火有特殊要求的场所。
原理如下:
当系统发生单相短路故障时,TN系统相当于直接接地,不经过电源侧的接地电阻,回路阻抗小;TT系统回路相当于经过电源侧接地电阻,回路阻抗较大;IT系统因电源侧不接地或者经高阻抗接地,因此回路阻抗最大。
(1)TN-C系统正常工作时,PEN线上有不对称负荷电流通过,可能有三次谐波电流通过,在PEN线上产生的压降将呈现在与PEN线相连的用电设备外壳以及线路的金属导管上。当发生PEN线断线、或PEN线连接端子连接不牢、或相地短路故障时,会呈现较高的对地故障电压,且某一处的故障电压可沿PEN线窜至其它部位。
当电气设备外壳和金属套管上带上此危险电压,就可能出现一处或多处对地打火,产生电弧,引燃附近易燃物,造成火灾。此系统不很安全,一般用于三相负荷基本平衡的一般企业,住宅用户绝大部分是单相用户,难以实现三相负荷的平衡,不应使用TN-C系统。
TN-S系统正常工作,PE线上没有不平衡电流通过,与PE线相连的设备外壳不带电位,只是在接地故障时才带电位,因而上述故障危险可大为减少。此系统应用较广(包括通信系统),但应确保接地保护装置动作的可靠性,E连接端子应连接牢固。
(2)TT系统设备金属外壳用单独接地极接地,与电源的接地无直接联系,设备外壳是地电位,不会产生火花或电弧,因此较为安全。
另外,当电源侧或者电气装置发生接地故障是,其故障电压不会像TN系统沿着PE或PEN线在电气装置中传导和互窜,优于TN系统。
但当发生接地故障时,故障电流需通过设备接地电阻和电源接地电阻,回路阻抗较大,故障电流比TN系统小,降低了线路保护装置的灵敏感,随着漏电保护器的开发和应用,克服了TT系统保护电器不灵敏的弱点。
补充一点:TN系统内PE线系引自电源的中性点,当发生雷击引起的瞬态冲击过电压或者电网故障引起的工频过电压时,相线和PE线电位同时升高,电气装置绝缘承受对地过电压幅度较小;而TT系统中PE线直接引自大地,是大地的零电位,电气装置绝缘承受对地过电压很大,容易发生击穿等事故,应当采取措施防范。
(3)IT系统中电源中性点对地绝缘或经消弧线圈接地。当发生接地故障时,故障电流为非故障相的对地电容电流,故障电压不超过50V,不会产生电火花或电弧,一般场所不要求立即切除故障回路,只需发出报警信号,并在规定时间内消除故障,就能保证了供电的可靠性。
因此IT系统用于煤矿等对防火有特殊要求的场所,但IT系统不宜配出中性线,另外对电源及用电设备耐压要求也较高。不能提供照明、控制等需要的220V电源,需要设置380/220V降压变压器来提供220V电源,使得线路结构复杂化。
